制動單元和制動電阻的選型方案 江蘇博邦電氣科技有限公司(www.97200.cn)專業生產:電抗器、濾波器、制動電阻、 制動單元、電阻箱、電阻柜、變壓器等!
1 前 言 不少的生產機械在運行過程中需要快速地減速或停車,而有些設備在生產中要求保持若干臺設備前后一定的轉速差或者拉伸率,這時就會產生發電制動的問題,使電機運行在第二或第四象限。然而在實際應用中,由于大多通用變頻器都采用電壓源的控制方式,其中間直流環節有大電容鉗制著電壓,使之不能迅速反向,另外交直回路又通常采用不可控整流橋,不能使電流反向,因此要實現回饋制動和四象限運行就比較困難。

圖一 變頻器調速系統的二種運行狀態 圖一所示為變頻器調速系統的二種運行狀態,即電動和發電。在變頻調速系統中,電機的降速和停機是通過逐漸減小頻率來實現的,在頻率減小的瞬間,電機的同步轉速隨之下降,而由于機械慣性的原因,電機的轉子轉速未變。當同步轉速w1小于轉子轉速w時,轉子電流的相位幾乎改變了180度,電機從電動狀態變為發電狀態;與此同時,電機軸上的轉矩變成了制動轉矩Te,使電機的轉速迅速下降,電機處于再生制動狀態。電機再生的電能P經續流二極管全波整流后反饋到直流電路。由于直流電路的電能無法通過整流橋回饋到電網,僅靠變頻器本身的電容吸收,雖然其他部分能消耗電能,但電容仍有短時間的電荷堆積,形成“泵升電壓”,使直流電壓Ud升高。過高的直流電壓將使各部分器件受到損害。 因此,對于負載處于發電制動狀態中必須采取必需的措施處理這部分再生能量。本文闡述的就是處理再生能量的方法:能耗制動和回饋制動。
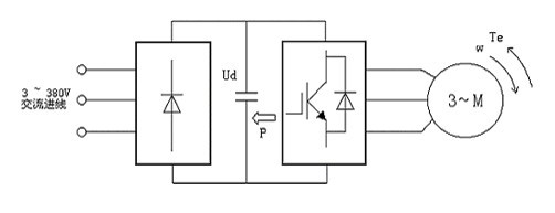
2 能耗制動的工作方式 能耗制動采用的方法是在變頻器直流側加放電電阻單元組件,將再生電能消耗在功率電阻上來實現制動(如圖二所示)。這是一種處理再生能量的最直接的辦法,它是將再生能量通過專門的能耗制動電路消耗在電阻上,轉化為熱能,因此又被稱為“電阻制動”,它包括制動單元和制動電阻二部分。
2.1 制動單元 制動單元的功能是當直流回路的電壓Ud超過規定的限值時(如660V或710V),接通耗能電路,使直流回路通過制動電阻后以熱能方式釋放能量。制動單元可分內置式和外置式二種,前者是適用于小功率的通用變頻器,后者則是適用于大功率變頻器或是對制動有特殊要求的工況中。從原理上講,二者并無區別,都是作為接通制動電阻的“開關”,它包括功率管、電壓采樣比較電路和驅動電路。
2.2 制動電阻 制動電阻是用于將電機的再生能量以熱能方式消耗的載體,它包括電阻阻值和功率容量兩個重要的參數。通常在工程上選用較多的是波紋電阻和鋁合金電阻兩種:前者采用表面立式波紋有利于散熱減低寄生電感量,并選用高阻燃無機涂層,有效保護電阻絲不被老化,延長使用壽命;后者電阻器耐氣候性、耐震動性,優于傳統瓷骨架電阻器,廣泛應用于高要求惡劣工控環境使用,易緊密安裝、易附加散熱器,外型美觀。
2.3 制動過程 能耗制動的過程如下: A、當電機在外力作用下減速、反轉時(包括被拖動),電機即以發電狀態運行,能量反饋回直流回路,使母線電壓升高; B、當直流電壓到達制動單元開的狀態時,制動單元的功率管導通,電流流過制動電阻;C、制動電阻消耗電能為熱能,電機的轉速降低,母線電壓也降低; D、母線電壓降至制動單元要關斷的值,制動單元的功率管截止,制動電阻無電流流過;E、采樣母線電壓值,制動單元重復ON/OFF過程,平衡母線電壓,使系統正常運行。
2.4 安裝要求 制動單元與變頻器之間,以及制動單元與電阻之間的配線距離要盡可能短(線長在2m以下),導線要足夠粗; 制動單元在工作時,電阻將大量發熱,應此要充分注意散熱,并使用耐熱導線,導線請勿觸及電阻器; 放電功率電阻應使用絕緣擋片固定牢固,安裝位置要確保良好散熱,建議電阻器安裝在電控柜頂部。
2.5 制動單元與制動電阻的選配 A、首先估算出制動轉矩

一般情況下,在進行電機制動時,電機內部存在一定的損耗,約為額定轉矩的18%-22%左右,因此計算出的結果在小于此范圍的話就無需接制動裝置;
B、接著計算制動電阻的阻值

在制動單元工作過程中,直流母線的電壓的升降取決于常數RC,R即為制動電阻的阻值,C為變頻器內部電解電容的容量。這里制動 單元動作電壓值一般為710V。
C、然后進行制動單元的選擇在進行制動單元的選擇時,制動單元的工作最大電流是選擇的唯一依據,其計算公式如下:

D、最后計算制動電阻的標稱功率 由于制動電阻為短時工作制,因此根據電阻的特性和技術指標,我們知道電阻的標稱功率將小于通電時的消耗功率,一般可用下式求得: 制動電阻標稱功率 = 制動電阻降額系數 X 制動期間平均消耗功率 X 制動使用率%
2.6 制動特點 能耗制動(電阻制動)的優點是構造簡單,缺點是運行效率降低,特別是在頻繁制動時將要消耗大量的能量,且制動電阻的容量將增大。

圖二 能耗制動和制動單元、制動電阻的連接方式
3 共用直流母線方式的回饋制動 對于頻繁啟動、制動,或是四象限運行的電機而言,如何處理制動過程不僅影響系統的動態響應,而且還有經濟效益的問題。于是,回饋制動成為人們討論的焦點,然而在目前大部分的通用變頻器還不能通過單獨的一臺變頻器來實現再生能量的情況下,如何用最簡單的辦法來實現回饋制動呢? 為解決以上問題,這里介紹了一種共用直流母線方式的再生能量回饋系統,通過這種方式,它可以將制動產生的再生能量進行充分利用,從而起到既節約電能又處理再生電能的功效。 3.1 工作原理 我們知道通常意義上的異步電機多傳動包括整流橋、直流母線供電回路、若干個逆變器,其中電機需要的能量是以直流方式通過PWM逆變器輸出。在多傳動方式下,制動時感生能量就反饋到直流回路。通過直流回路,這部分反饋能量就可以消耗在其他處在電動狀態的電機上,制動要求特別高時,只需要在共用母線上并上一個共用制動單元即可。 在實際的應用中,多傳動的系統造價高、品牌少,也往往使用在鋼鐵、造紙等高端市場。以此參照到眾多的制動小系統應用,也不失為一種效率好、節能高的制動方式。

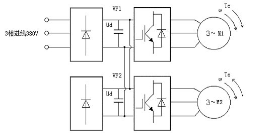
圖三 共用直流母線的回饋制動方式 圖三接線是典型的共用直流母線的制動方式,M1是處于電動狀態,M2經常處于發電狀態,三相交流電源380V接到處于電動狀態的電機M1上的變頻器VF1端,而VF2則通過共用直流母線方式與VF1的母線相連。在此種方式下,VF2僅做為逆變器在使用,M2處于電動時,所需能量由交流電網通過VF1的整流橋獲得;M2處于發電時,反饋能量通過直流母線由M2的電動狀態消耗。
3.2 應用范圍 共用直流母線的制動方式可典型應用于造紙機械、印刷機械、離心分離機以及系統驅動等。在這些應用中,有一個共同的特點:即處于發電狀態的M2的容量遠遠小于處于電動狀態的M1的容量,而且當M1的電動狀態停止時(即變頻器VF1待機),M2的發電狀態隨即轉為電動狀態。這樣,直流母線電壓就不會快速升高,系統始終處于比較穩定的狀態。
這里以離心機為例進行應用說明。過濾式螺旋卸料離心機,在全速下連續進料、連續卸料,自動完成進料、分離、洗滌、卸料等工序。離心機的核心是過濾型轉鼓,利用主機和副機的差轉速來控制卸料速度,并實現無人安全操作。在處理過程中,主機始終處于電動狀態,而副機則由于轉速差的作用,基本上處于發電狀態。主機和副機功率通常為22KW和5.5KW、30KW和7.5KW、45KW和11KW等4:1匹配,符合本節闡述的工作方式。為考慮到副機供電也是由主機變頻器的整流橋提供,因此必須考慮到VF1的整流橋的額定電流(不同的變頻器廠商其整流橋規格不一樣),以此來決定VF1的選型。VF2的選型必須考慮到能夠屏蔽輸入缺相功能的變頻器。應用本制動方式后,離心機不僅效率提高,而且節能效果好、運行平穩、維護簡單。
3.3 制動特點 采用共用直流母線的制動方式,具有以下顯著的特點: a. 共用直流母線和共用制動單元,可以大大減少整流器和制動單元的重復配置,結構簡單合理,經濟可靠。 b. 共用直流母線的中間直流電壓恒定,電容并聯儲能容量大; c. 各電動機工作在不同狀態下,能量回饋互補,優化了系統的動態特性; d. 提高系統功率因數,降低電網諧波電流,提高系統用電效率。
4 回饋到交流電網的制動方式 在生產工況中,我們往往又會碰到另外一個問題:如何真正實現從電機到直流母線、再從直流母線到交流電網的能量回饋呢?由于通用變頻器一般采用不可控整流橋,因此必須采取其他的控制方式來實現。
4.1 工作原理 要實現直流回路與電源間的雙向能量傳遞,一種最有效的辦法就是采用有源逆變技術:即將再生電能逆變為與電網同頻率同相位的交流電回送電網,從而實現制動。

圖四 回饋電網制動原理圖 圖四所示為回饋電網制動原理圖,它采用了電流追蹤型PWM整流器,這樣就容易實現功率的雙向流動,且具有很快的動態響應速度。同時,這樣的拓撲結構使得我們能夠完全控制交流側和直流側之間的無功和有功的交換。
4.2 制動特點 a.廣泛應用于PWM交流傳動的能量回饋制動場合,節能運行效率高; b.不產生任何異常的高次諧波電流成分,綠色環保; c.功率因數≈1; d. 多電機傳動系統中,每一單機的再生能量可以得到充分利用; e.節省投資,易于控制網側諧波和無功分量;
5 結束語 通用電壓型變頻器只能運行于一、三象限即電動狀態,因此在以下應用場合,用戶必須考慮配套使用制動方式:電機拖動大慣量負載(如離心機、龍門刨、巷道車、行車的大小車等)并要求急劇減速或停車;電機拖動位能負載(如電梯,起重機,礦井提升機等);電機經常處于被拖動狀態(如離心機副機、造紙機導紙輥電機、化纖機械牽伸機等)。以上幾類負載的共同特點,要求電機不僅運行于電動狀態(一、三象限),而且要運行于發電制動狀態(二、四象限)。為使系統在發電制動狀態能正常工作,必須采取適當的制動方式。本文試圖從工程的角度論述了能耗制動、回饋到共用直流母線方式的制動、回饋到交流電網的制動共3種典型制動方式的工作原理,以及應用范圍和優缺點。 |